
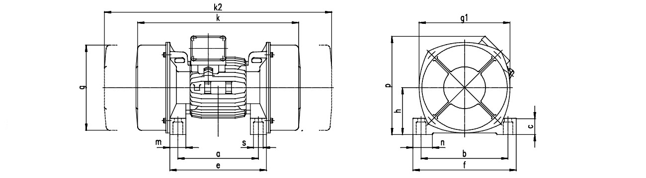
The JVM vibration motors of the JÖST Group are used in vibration technology processes, i.e. vibrating feeders and vibrating screens. Wide range of products adapted to the profile of requirements while maintaining high quality components.
You will find all the necessary information in the catalogue by clicking the following link.
Vibration motors are selected based on the required amplitude of vibrations and the operational weight of the device structure. The vibration amplitude depends on the rotational speed of the vibration motors.





Contact us and we will help you choose the optimal solution.